Паровой котел 0.3 т / 300 кг / 9 кгс/cм² / 0,9 МПа / 170 °C - каменный, бурый уголь в Самаре

    • Стабильная выработка сухого пара независимо от нагрузки котла
    • Высокая надежность конструкции благодаря отсутствию температурных расширений
    • Возможность подпитки котла даже холодной водой +5 ºС
    • Удобная очистка поверхностей нагрева без остановки котла
    • Работа на самотяге, дымосос не требуется даже при плюсовых температурах
Цена с НДС:
835 000 рублей
Цена с НДС на паровой котел 0.3 т / 300 кг / 9 кгс/cм² / 0,9 МПа / 170 °C - каменный, бурый уголь с доставкой в
от 835 000 рублей
Условия в
В наличии на складе
Доставка ТК по России и Казахстану
Безналичный расчет
Есть в наличии
Можно купить в лизинг
Паровой угольный котел 300 кг
Угольный паровой котел 300 кг
Котел паровой 300 кг на угле
Паровой котел 300 кг на угле
Паровой котел 300 кг час на угле промышленный
Промышленный паровой котел 300 кг час на угле
Паровой угольный котел 300 кг в час изготовление
Изготовление парового угольного котла 300 кг в час
Колосниковая топка парового угольного котла 300 кг пара в час
Колосниковая топка угольного парового котла 300 кг пара в час
Паровые котлы 300 кг на угле производство
Производство паровых котлов 300 кг на угле
Паровой угольный котел 300 кг
Котел паровой 300 кг на угле
Паровой котел 300 кг час на угле промышленный
Паровой угольный котел 300 кг в час изготовление
Колосниковая топка парового угольного котла 300 кг пара в час
Паровые котлы 300 кг на угле производство
Видеообзор
Вид топки Ручная, Колосники
Топливо Твердое, Уголь
Температура пара, не более 170 °С
Давление пара, не более 0.9 МПа
Технические
характеристики
Описание
товара
Комплект
поставки
Дополнительное
оборудование
Монтаж и схемы
подключения
Сертификаты
и гарантии

Технические характеристики парового котла 0.3 т / 300 кг / 9 кгс/cм² / 0,9 МПа / 170 °C на твердом топливе, каменном и буром угле

Тип Паровой котел Е
Бренд STEAMEXPERT
Вид топки Ручная, Колосники
Конструкция котла Жаротрубный
Производительность 300 кг/ч
Производительность 0.3 т/ч
Масса 1600 кг
Максимальная тепловая мощность 0.22 МВт
Диапазон регулирования мощности 50-100 %
Топливо Твердое, Уголь
Низшая теплота сгорания проектного топлива 5230 кКал/кг
КПД котла на УГЛЕ 75 %
Расход УГЛЯ при максимальной нагрузке котла 52 кг/ч
Расход условного топлива 39 кг/ч
Температура пара, не более 170 °С
Давление пара, не более 0.9 МПа
Давление пара, не более 9 кгс/см²
Давление пара, не более 9 бар
Полный объем котла 1.4 м³
Объем паровой части 0.11 м³
Аэродинамическое сопротивление 3.1 (0.31) Па (мм. вод. ст.)
Тяга Естественная
Объем топочной камеры 0.47 м³
Активная площадь решетки горения 0.92 м²
Присоединительные размеры выхода пара 32 Ду
Присоединительные размеры по водяному тракту 25 Ду
Присоединительные размеры по дымовым газам / дымовая труба 300 Ду
Габаритные размеры котла, длина*ширина*высота 2450х1500х1800 мм
Марка STEAMEXPERT
Энергоэффективность Высокая
Чертеж угольного парового котла 300 кг 170 С
Угольный паровой котел 300 кг 170 С чертеж
Чертеж парового котла 300 кг температура 170 С на угле
Паровой котел 300 кг температура 170 С на угле чертеж

Конструкция и преимущества парового котла STEAMEXPERT 0.3 т / 300 к / 9 кгс/cм² / 0,9 МПа / 170 °C - на твердом топливе каменном и буром угле в Самаре

Промышленный прямоточный паровой котел на твердом топливе STEAMEXPERT Е 0.3 0.9 170 КБ – выполняется напольной горизонтальной жаротрубной конструкцией.

Котельный блок жаротрубный комбинированный, состоит из наружной обечайки и внутренней обечайки. Пространство между обечайками заполняется водой. Передняя часть внутренней обечайки выполняет функции жаровой трубы – топка котла с колосниковой решеткой. За топкой выполнен водотрубный конвективный пучок. В верхней части котла устанавливается паросборная камера, в которой собирается и сепарируется пар. На паросборной камере устанавливаются предохранительные клапаны, арматура и контрольно-измерительные приборы. 

На паросборной камере устанавливаются предохранительные клапаны, арматура и контрольно-измерительные приборы.

Благодаря большому объему нагреваемой в котле воды и зеркалу испарения, жаротрубный твердотопливный котел паровой Е 0,3-0.9 с температурой пара 170 С имеет следующие преимущества:

  • потребитель получает сухой пар. Сепарационные устройства препятствуют выносу капель воды с зеркала испарения и капель конденсата образующихся на внутренних стенках паропроводов котла КП;
  • независимо от нагрузки происходит бесперебойная подача пара;
  • угольный паровой котел 300 кг часСамара не боится подпитки даже холодной водой;
  • тепловые расширения металла минимальны поэтому жаротрубный котел обладает высокой надежностью и долговечностью.

Для удобства обслуживания в процессе эксплуатации в конструкции комбинированного котла предусмотрены следующие технические решения:

  • наружные сажистые отложения очищаются системой обдувки конвективного пакета паром прямо в процессе работы без остановки котла. Для механического удаления сажи, в задней части газоплотный цилиндрический паровой котел КП 0.3 0.9 на угле имеет люк для очистки.
  • в задней части котла устанавливается продувочный штуцер Ду 25 для удаления образующегося в котле шлама.
  • на паросборной камере и водомерной колонке установлен вентиль Ду 15 для спуска воздуха при подготовке к работе.
Паровой котел твердотопливный с дымовой трубой

Экономичность работы современного трехходового парового котла на твердом топливе 300 кг пара обеспечивается возможностью его работы без дымососа. Воздух в топочную камеру подается вентилятором поддува, подключаемому к отверстию в фронтовой плите. Для обеспечения тяги в котле достаточно установить дымовую трубу не менее 9 метров диаметр 300 мм и выше конька кровли здания не менее 2 метров. Дымовая труба может проходить как по наружной стене помещения, так и через кровлю котельного помещения.

Если у вас высокие требования к экологичности выбросов, производственный угольный паровой котел парогенератор может работать с золоуловителем, но тогда вам потребуется установка дымососа.

Производственный стационарный паровой котел пар Е 0 3 0 9 российского производства подпитывается из питательного бака через электронасос, соединительную арматуру.

Для подпитки желательно устанавливать два насоса – один рабочий и второй резервный.

В передней части жаровой трубы в верхней части установлена легкоплавкая пробка – предохранительное устройство прямого действия. В случае понижения уровня воды в котле ниже критического (аварийного) пробка расплавляется, и струя пара, проникая в топочную часть котла, гасит горящее топливо.

На боковой части корпуса устанавливается водомерная колонка (датчик уровней воды) и два указателя уровня, связанная с паровым и водяным пространством котла соединительными трубками.

Применение паровых котлов

Наши жаротрубные паровые котлы производительностью 300 кг пара Россия применяют при производстве ЖБИ изделий, для изготовления пенопласта, химические и фармацевтические предприятия, строительные организации, бетонные заводы, больницы, общественные заведения, воинские части, автоколонны, ДСУ, бани, предприятия нефтегазовой, кожевенной, перерабатывающей промышленности. В пищевой промышленности жаротрубные паровые котлы используют для разморозки, подогрева, пастеризации, стерилизации тары такие предприятия, как спиртзаводы, молочные заводы, птицефабрики для тепловой обработки кормов и ошпаривания птиц, мясокомбинаты и консервные заводы, хлебозаводы, мелькомбинаты, маслосырзаводы, свинокомплексы.

Монтаж котла
Паровой котел на твердом топливе схема

Стальной горизонтальный твердотопливный паровой котел 300 кг в час для производства пара поставляется блоками максимальной заводской готовности. Котельный блок устанавливается в котельной на специально подготовленную ровную поверхность. Котельный блок подсоединяется по воде, устанавливается запорная арматура на подводящем трубопроводе и отводящем паропроводе, устанавливаются предохранительные клапаны и контрольно-измерительные приборы. Для угольных котлоагрегатов подсоединяется вентилятор. Дымосос для работы и получения пара не требуется, за исключением случая, когда вы хотите установить золоуловитель. Подключается котельная автоматика. Типовые монтажные схемы вы можете изучить в разделе схемы подключения данного товара.

Чтобы перевести паровой котел КП на угле теплопроизводительность 300 кг в час в водогрейный режим достаточно изменить схему подключения и установить другие предохранительные клапана.

Купить паровой промышленный котел Е 0.3-0.9-170 КБ на твердом топливе

Для того чтобы купить твердотопливный паровой котел 300 кг пара в час, давлением 0.9 МПа и температурой 170 С в Самаре вы можете сделать заявку в отдел сбыта по телефону 8-800-700-06-43, либо оформить заявку через сайт или почту. Менеджеры дадут консультацию по подбору вспомогательного оборудования для выбранных вами моделей и рассчитают стоимость доставки. Доставка до вашего населенного пункта может осуществляться авто, железнодорожным и речным транспортом.

Если вы затрудняетесь с выбором нужной паропроизводительности, мы можем осуществить подбор, для этого нужно заполнить опросный лист или описать ваш техпроцесс.

Комплект поставки парового котла 0.3 т / 300 кг / 9 кгс/cм² / 0,9 МПа / 170 °C на твердом топливе, каменном и буром угле

Цена парового котла 0.3 т / 300 кг / 9 кгс/cм² / 0,9 МПа / 170 °C на твердом топливе, каменном и буром угле включает в себя запорную арматуру и КИП в пределах котла, вентилятор поддува и предохранительные клапаны. Ниже приведена подробная информация.

Дополнительное оборудование парового котла 0.3 т / 300 кг / 9 кгс/cм² / 0,9 МПа / 170 °C на твердом топливе, каменном и буром угле

Для эффективной и надежной работы парового котла 0.3 т / 300 кг / 9 кгс/cм² / 0,9 МПа / 170 °C на твердом топливе, каменном и буром угле вам потребуется дополнительное оборудование - насос. Мы предлагаем рассмотреть типовые варианты комплектации.

В случае если у вас на объекте имеется насосное оборудование, мы можем проверить совместимость парового котла 0.3 т / 300 кг / 9 кгс/cм² / 0,9 МПа / 170 °C на твердом топливе, каменном и буром угле нашего производства и вашего оборудования.

По необходимости устанавливаются золоуловители.

Типовую схему монтажа котла вы можете посмотреть во вкладке схемы подключения.

Щит котла парового
Автоматика твердотопливного парового котла
168000 руб. с НДС

Автоматика твердотопливного парового котла выполняет следующие функции:

  • ручной пуск котла, вентилятора и насоса;
  • автоматическое поддержания уровня воды в котле;
  • автоматическое поддержание заданного давления пара на выходе из котла.

Выполняет аварийную остановку котла, вентилятора и насоса при:

  • понижении уровня воды в котле ниже критического уровня;
  • повышении уровня воды в котле выше критического уровня (перелив);
  • повышении давления пара в котле.
CDM насос
Насос CDM 1-19 (1.1 кВт)
139800 руб. с НДС
Газоход котла
Газоходы
0 руб. с НДС

Монтаж и схемы подключения парового котла 0.3 т / 300 кг / 9 кгс/cм² / 0,9 МПа / 170 °C на твердом топливе, каменном и буром угле

Жаротрубный паровой котел 0.3 т / 300 кг / 9 кгс/cм² / 0,9 МПа / 170 °C - каменный, бурый уголь, предназначен для получения насыщенного пара температурой не более 170 °С и давлением не более 0,9 (9) МПа (кгс/cм²) для технологических целей в производстве. Устанавливается в производственных и промышленных котельных.

Монтаж и подключение парового котла 0.3 т / 300 кг / 9 кгс/cм² / 0,9 МПа / 170 °C на твердом топливе, каменном и буром угле

План расстановки оборудования в паровой котельной

Для правильного подключения парового котла 0.3 т / 300 кг / 9 кгс/cм² / 0,9 МПа / 170 °C на твердом топливе, каменном и буром угле в котельной необходимо оставить проемы для обслуживания оборудования во время эксплуатации. Эти расстояния рекомендованы СНИП II-35-76. На данной схеме представлены их размеры. Кроме того мы составили примерный план, как можно произвести расположение подключение оборудования, а также указали перечень минимально необходимого вспомогательного оборудования для работы котла.

К вспомогательному оборудованию при работе парового котла 0.3 т / 300 кг / 9 кгс/cм² / 0,9 МПа / 170 °C на твердом топливе, каменном и буром угле относятся:

  • питательные насосы (1 рабочий, 2 резервный);
  • бак запаса воды;
  • охладитель проб отбора воды;
  • система водоподготовки котловой воды;
  • автоматика котла.

Водоподготовительная установка подбирается на основе данных химического анализа воды, проводимого специализированной лабораторией.

Система питания парового котла 0.3 т / 300 кг / 9 кгс/cм² / 0,9 МПа / 170 °C на твердом топливе, каменном и буром угле

Система питания котла

При работе котла питание водой парового котла 0.3 т / 300 кг / 9 кгс/cм² / 0,9 МПа / 170 °C на твердом топливе, каменном и буром угле производится через штуцер.

Подпитка котла ведется из питательного бака через насос, соединительную арматуру. На трубопроводе подпитки котла водой должно быть установлено запорное устройство и обратный клапан. Запорное устройство должно располагаться между котлом и обратным клапаном.

Для подпитки устанавливается не менее двух насосов с электроприводом. На стороне нагнетания каждого центробежного насоса до запорного органа должен быть установлен обратный клапан.

На трубопроводе выдачи пара, в непосредственной близости от котла, устанавливается запорное устройство.

На котле имеются продувочные штуцера Ду25, Ду15 и Ду10. Штуцер Ду25 предназначен для удаления шлама, образующегося в результате работы котла, периодической продувки котловой воды и для спуска воды в случае необходимости. Штуцер Ду15 предназначен для продувки водомерной колонки. Штуцера Ду10 предназначены для продувки указателей уровня.

В передней части жаровой трубы в верхней части установлена легкоплавкая пробка – предохранительное устройство прямого действия.

На боковой части корпуса устанавливается датчик уровней воды, связанный с паровым и водным пространством котла соединительными трубками не менее Ду25.

На боковой части корпуса устанавливается соединительная труба (колонка), служащая для установки двух указателей уровня, и связанная с паровым и водным пространством котла соединительными трубками не менее Ду25.

На боковой части корпуса внизу у котла имеется ревизия с крышкой, для периодического осмотра состояния поверхностей нагрева со стороны водяного объема.

Схема парового котла 0.3 т / 300 кг / 9 кгс/cм² / 0,9 МПа / 170 °C на твердом топливе, каменном и буром угле

Схема {{parts_subject_r}}

В передней части жаровой трубы размещена топка, а в задней части - конвективный пучок труб.

В верхней части котла приварен паросборник, представляющий собой полуцилиндр. На паросборной камере устанавливаются предохранительные клапаны и два штуцера Ду15, один для установки электроконтактного манометра, второй для спуска воздуха с котла при заполнении водой при подготовке к работе.

К фронтовой плите крепится воздуховод и вентилятор для подачи воздуха в топку котла под колосниковую решетку.

На задней крышке в основании дымовой трубы выполнен предохранительный взрывной клапан.

Образующиеся в топочной камере продукты сгорания проходят конвективный пучок труб и выводятся через трубу дымовую, установленную на корпусе в хвостовой части котла.

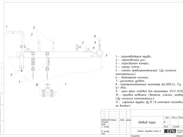
Отвод пара парового котла 0.3 т / 300 кг / 9 кгс/cм² / 0,9 МПа / 170 °C на твердом топливе, каменном и буром угле

Отвод пара {{parts_subject_r}}

Предохранительные клапаны предназначены для стравливания давления в котле при превышении допустимого значения. На котле установлены предохранительные клапаны пропускной способностью не менее часовой производительности котла.

Принцип работы клапана состоит в том, что при достижении паром номинального давления избыток пара выходит наружу. Клапана оборудованы ручным приводом для открывания при проверке их на срабатывание.

Щит управления совместно с электрооборудованием предназначен для управления работой парового котла 0.3 т / 300 кг / 9 кгс/cм² / 0,9 МПа / 170 °C на твердом топливе, каменном и буром угле и защиты его при возникновении аварийных ситуаций. На двери щита расположены сигнальная лампа и органы управления работой котла, с табличками, указывающими их назначение. По месту либо на стенке щита крепится сигнальная сирена.

На паросборной камере устанавливается один электроконтактный манометр. При монтаже манометра, показывающего давление пара в котле, должна быть предусмотрена установка трехходового крана между манометром и сифонным устройством. Допускается установка других устройств, позволяющих контролировать показания рабочего манометра, путем подключения в систему контрольного манометра. Электроконтактный манометр выполняет роль датчика давления и предназначен для отключения дутьевого вентилятора и включения аварийной сигнализации при достижении паром предельно допустимого давления.

Датчик уровней служит для подачи команды на включение и отключение питательного насоса котла в процессе работы.

Указатель уровня воды предназначен для визуального контроля за уровнем воды при работе котла. На корпусе указателя крепится рамка или наносятся метки, указывающие верхний и нижний уровень воды.

Легкоплавкая пробка предназначена для сброса пара во внутренний объем топочной камеры в случае упуска воды ниже аварийного уровня и достижения фактического уровня воды на работающем котле ниже верхней кромки жаровой трубы. При этом легкоплавкая пробка перестает охлаждаться котловой водой и нагревается до температуры газов в топочной камере. Из-за нагрева наполнитель легкоплавкой пробки плавится и выдавливается давлением пара в топочную камеру, при этом сбрасывается давление пара и дополнительно гасится пламя.

Сертификаты и гарантии парового котла 0.3 т / 300 кг / 9 кгс/cм² / 0,9 МПа / 170 °C на твердом топливе, каменном и буром угле

Гарантийный срок на паровой котел 0.3 т / 300 кг / 9 кгс/cм² / 0,9 МПа / 170 °C - каменный, бурый уголь 24 месяца.

Сертификат на котлы паровые КП
Сертификат на паровые котлы КП

Отзывы о продукции

Другая похожая продукция

Паровой угольный котел 300 кг
Паровой котел 0.3 т / 300 кг / 1,7 кгс/cм² / 0,17 МПа / 130 ° C - каменный, бурый уголь
Вид топки Ручная, Колосники
Топливо Твердое, Уголь
Производительность, кг/ч 300
Температура пара, не более, °С 130
647 000 ₽
Паровой угольный котел 300 кг
Паровой котел 0.3 т / 300 кг / 0,7 кгс/cм² / 0,07 МПа / 115 ° C - каменный, бурый уголь
Вид топки Ручная, Колосники
Топливо Твердое, Уголь
Производительность, кг/ч 300
Температура пара, не более, °С 110, 115
622 000 ₽
Паровой угольный котел 500 кг
Паровой котел 0.5 т / 500 кг / 9 кгс/cм² / 0,9 МПа / 170 °C - каменный, бурый уголь
Вид топки Ручная, Колосники
Топливо Твердое, Уголь
Производительность, кг/ч 500
Температура пара, не более, °С 170
1 141 000 ₽
Паровой угольный котел 700 кг
Паровой котел 0.7 т / 700 кг / 9 кгс/cм² / 0,9 МПа / 170 °C - каменный, бурый уголь
Вид топки Ручная, Колосники
Топливо Твердое, Уголь
Производительность, кг/ч 700
Температура пара, не более, °С 170
1 331 000 ₽